GKYWG-60XV罐旁显示仪又叫罐旁显示器,是由河北光科测控设备有限公司研制开发的又一款多功能防爆显示仪表。其利用现代化的传感技术将罐内信息转化为电信号进行检测并运算得出最终结果,这些检测数据通过RS485、4~20mA等通讯接口输出到显示屏,轻松实现罐下显示,免去人工爬罐读取数据的麻烦。方便安装在现场装置区高温有毒、易燃易爆的工业现场环境,主要用于石油化工、电力、医药、消防等行业。
防爆壳体设计可以用于各种工业现场(已经通过国家防爆认证)
等级为SIL3,可以用在各种环境
高亮液晶带背光显示屏方便在晚上观看数据
安装简单方便,轻松实现罐下显示
同时输入4~20mA和RS485信号,输出RS485 MODBUS信号
可配套雷达物位计、伺服液位计、磁致伸缩液位计等液位仪表实现液位罐下显示
可选配多点平均温度计、压力变送器等温度、压力仪表实现温度、压力值的罐下显示
同步实现液位/界位、温度、密度、压力的轮循显示
磁致伸缩液位计配套罐旁显示仪所特有的修正补偿功能,保证了测量和显示的精度
伺服液位计配套罐旁显示仪所特有的密度测量功能,可同步测量并显示介质密度
RS485通讯可自动校准所有参数
实用范围:伺服液位计、磁致伸缩液位计、雷达液位计、多点平均温度计、一体化温度变送器、压力变送器等
典型应用
1、钢铁行业:如煤焦化(备煤仓、焦仓、煤气柜、煤焦油及粗苯罐)、烧结厂(烧结料混合仓、冷返矿、球团仓)
2、炼铁厂(炼铁中间仓、高炉料位等)等料仓的料位检测并输出到罐下显示。
3、煤炭行业:原煤仓、粉煤仓、煤矸石仓储料位、洗煤池等料仓的料位检测并输出到罐下显示。
4、水泥行业:包括原料库、生料均化库、熟料库、成品库、粉煤灰仓、原煤仓、石膏库、水泥渣仓。
5、电力行业物料过程存储物位检测,如火电厂的原煤仓、粉煤仓及干灰库中料位的检测并输出到罐下显示。
6、有色冶金行业、制铝、制镍、制锌、制钛行业:(制铝)矿浆槽、溶出槽、闪蒸釜、溶出后槽、絮凝槽、沉降槽、分解槽、氧化铝粉仓。
7、石油化工行业:如石油化工、煤焦化工、电石化工等料仓的料位检测并输出到罐下显示。
8、食品医药行业、环保及水处理行业、半导体行业等。
技术参数
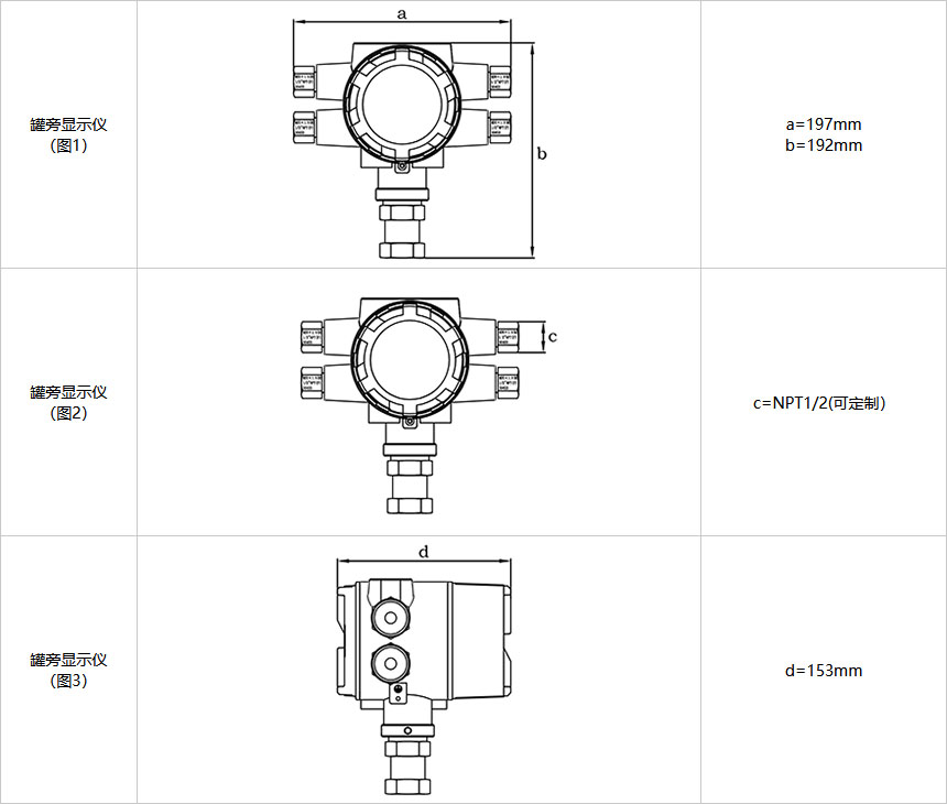
外形尺寸

